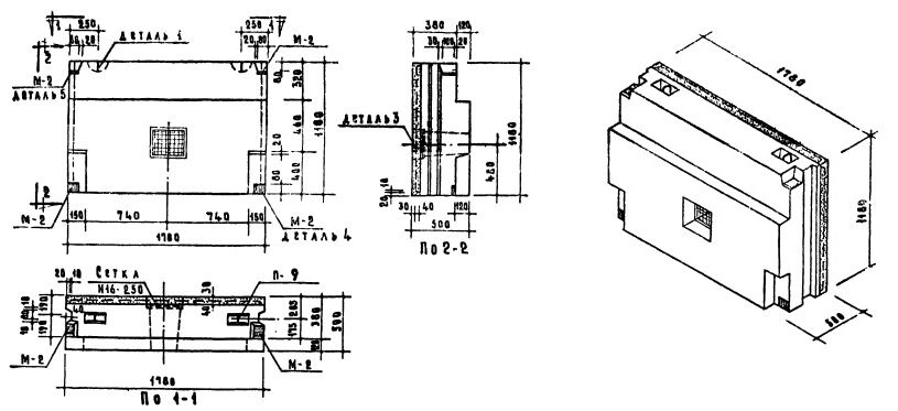
НБП-18.12.5

Чертеж изделия:
Чертеж НБП-18.12.5
Характеристики изделия:
ПараметрЗначение
Длина1780 мм
Ширина500 мм
Высота1180 мм
Масса1800 кг
Нормативный документСерия 1.133-1

Стеновые легкобетонные блоки толщиной 50 см по Серии 1.133-1.

НБП-18.12.5  Парапетный блок.